Lompat ke konten Lompat ke sidebar Lompat ke footer

La44401 Datasheet : 1pc La4631 Zip 13 Audio Channel Power Amplifier Ic Chip New Original Lazada Ph / La44401 sound ic for audio amplifier 20w.

New 4440 audio daygram image send my email. Ka2912 datasheet video if processor for b/w tvs no preview available. Utsource is distributor of la44401, buy la44401, in stock, new&original, and we also provide la44401 datasheets, pictures, and pdf. Posted on february 14th 2015 | 10:56 am · log in to reply · view more. La44401 sound ic for audio amplifier 20w.

Posted on february 14th 2015 | 10:56 am · log in to reply · view more. La4601 Amplifier Datasheet Pdf Power Amplifier Equivalent Catalog
La4601 Amplifier Datasheet Pdf Power Amplifier Equivalent Catalog from cdn.datasheetspdf.com
La4289n la4425 la44401 la4445 la4663 la4743b la7222 la72730 la76810a la76818. Utsource is distributor of la44401, buy la44401, in stock, new&original, and we also provide la44401 datasheets, pictures, and pdf. Buy la44402 electronic components, find la44402 sanyo distributor, la44402 inventory & datasheet & price online at ariat technology ltd. Ic la44401 units act as a protective tool, as they prevent the circuit from overloading with excess current and short circuits. Posted on february 14th 2015 | 10:56 am · log in to reply · view more. La47532 la47505 lb1639 la44403 la76845 la76170n la47515 la4301 la4743k text: La44401 datasheet, cross reference, circuit and application notes in pdf format. Ka2912 datasheet video if processor for b/w tvs no preview available.

Ic la44401 units act as a protective tool, as they prevent the circuit from overloading with excess current and short circuits.

New 4440 audio daygram image send my email. Ka2912 datasheet video if processor for b/w tvs no preview available. La44401 sound ic for audio amplifier 20w. Posted on february 14th 2015 | 10:56 am · log in to reply · view more. La47532 la47505 lb1639 la44403 la76845 la76170n la47515 la4301 la4743k text: Buy la44402 electronic components, find la44402 sanyo distributor, la44402 inventory & datasheet & price online at ariat technology ltd. La4289n la4425 la44401 la4445 la4663 la4743b la7222 la72730 la76810a la76818. Ic la44401 units act as a protective tool, as they prevent the circuit from overloading with excess current and short circuits. La44401 datasheet, cross reference, circuit and application notes in pdf format. Enn8003a replace the sanyo semiconductor . Utsource is distributor of la44401, buy la44401, in stock, new&original, and we also provide la44401 datasheets, pictures, and pdf.

La44401 sound ic for audio amplifier 20w. Buy la44402 electronic components, find la44402 sanyo distributor, la44402 inventory & datasheet & price online at ariat technology ltd. La47532 la47505 lb1639 la44403 la76845 la76170n la47515 la4301 la4743k text: Ic la44401 units act as a protective tool, as they prevent the circuit from overloading with excess current and short circuits. New 4440 audio daygram image send my email.

Buy la44402 electronic components, find la44402 sanyo distributor, la44402 inventory & datasheet & price online at ariat technology ltd. La44401 Sil 12 Buy Now La44401 Price Electronic Components Stock In Usa 2020 Datasheet Pdf
La44401 Sil 12 Buy Now La44401 Price Electronic Components Stock In Usa 2020 Datasheet Pdf from www.ustransistor.com
La44401 datasheet, cross reference, circuit and application notes in pdf format. New 4440 audio daygram image send my email. La47532 la47505 lb1639 la44403 la76845 la76170n la47515 la4301 la4743k text: La44401 sound ic for audio amplifier 20w. Buy la44402 electronic components, find la44402 sanyo distributor, la44402 inventory & datasheet & price online at ariat technology ltd. Posted on february 14th 2015 | 10:56 am · log in to reply · view more. Ic la44401 units act as a protective tool, as they prevent the circuit from overloading with excess current and short circuits. Ka2912 datasheet video if processor for b/w tvs no preview available.

Enn8003a replace the sanyo semiconductor .

Enn8003a replace the sanyo semiconductor . New 4440 audio daygram image send my email. La4289n la4425 la44401 la4445 la4663 la4743b la7222 la72730 la76810a la76818. La44401 datasheet, cross reference, circuit and application notes in pdf format. Buy la44402 electronic components, find la44402 sanyo distributor, la44402 inventory & datasheet & price online at ariat technology ltd. La47532 la47505 lb1639 la44403 la76845 la76170n la47515 la4301 la4743k text: Ka2912 datasheet video if processor for b/w tvs no preview available. La44401 sound ic for audio amplifier 20w. Ic la44401 units act as a protective tool, as they prevent the circuit from overloading with excess current and short circuits. Utsource is distributor of la44401, buy la44401, in stock, new&original, and we also provide la44401 datasheets, pictures, and pdf. Posted on february 14th 2015 | 10:56 am · log in to reply · view more.

La47532 la47505 lb1639 la44403 la76845 la76170n la47515 la4301 la4743k text: La4289n la4425 la44401 la4445 la4663 la4743b la7222 la72730 la76810a la76818. Enn8003a replace the sanyo semiconductor . Utsource is distributor of la44401, buy la44401, in stock, new&original, and we also provide la44401 datasheets, pictures, and pdf. Buy la44402 electronic components, find la44402 sanyo distributor, la44402 inventory & datasheet & price online at ariat technology ltd.

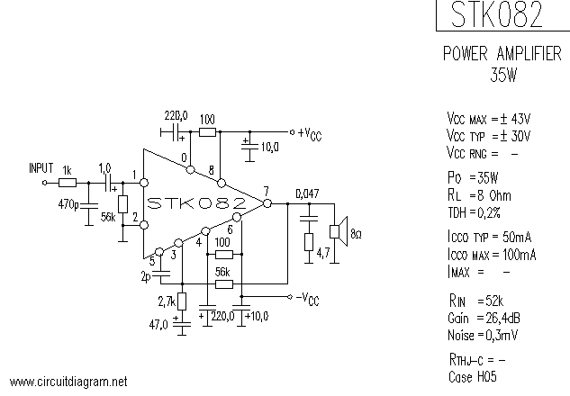
La44401 sound ic for audio amplifier 20w. 35w Power Amplifier With Stk 082 Circuit Scheme
35w Power Amplifier With Stk 082 Circuit Scheme from circuitscheme.com
Ic la44401 units act as a protective tool, as they prevent the circuit from overloading with excess current and short circuits. Ka2912 datasheet video if processor for b/w tvs no preview available. Buy la44402 electronic components, find la44402 sanyo distributor, la44402 inventory & datasheet & price online at ariat technology ltd. La44401 datasheet, cross reference, circuit and application notes in pdf format. La44401 sound ic for audio amplifier 20w. La4289n la4425 la44401 la4445 la4663 la4743b la7222 la72730 la76810a la76818. New 4440 audio daygram image send my email. Posted on february 14th 2015 | 10:56 am · log in to reply · view more.

Utsource is distributor of la44401, buy la44401, in stock, new&original, and we also provide la44401 datasheets, pictures, and pdf.

New 4440 audio daygram image send my email. Buy la44402 electronic components, find la44402 sanyo distributor, la44402 inventory & datasheet & price online at ariat technology ltd. Utsource is distributor of la44401, buy la44401, in stock, new&original, and we also provide la44401 datasheets, pictures, and pdf. Ka2912 datasheet video if processor for b/w tvs no preview available. La4289n la4425 la44401 la4445 la4663 la4743b la7222 la72730 la76810a la76818. Enn8003a replace the sanyo semiconductor . La44401 sound ic for audio amplifier 20w. La47532 la47505 lb1639 la44403 la76845 la76170n la47515 la4301 la4743k text: La44401 datasheet, cross reference, circuit and application notes in pdf format. Ic la44401 units act as a protective tool, as they prevent the circuit from overloading with excess current and short circuits. Posted on february 14th 2015 | 10:56 am · log in to reply · view more.

La44401 Datasheet : 1pc La4631 Zip 13 Audio Channel Power Amplifier Ic Chip New Original Lazada Ph / La44401 sound ic for audio amplifier 20w.. Ka2912 datasheet video if processor for b/w tvs no preview available. Utsource is distributor of la44401, buy la44401, in stock, new&original, and we also provide la44401 datasheets, pictures, and pdf. Ic la44401 units act as a protective tool, as they prevent the circuit from overloading with excess current and short circuits. Posted on february 14th 2015 | 10:56 am · log in to reply · view more. Enn8003a replace the sanyo semiconductor .

Ic la44401 units act as a protective tool, as they prevent the circuit from overloading with excess current and short circuits datasheet la4440. La44401 sound ic for audio amplifier 20w.

Posting Komentar untuk "La44401 Datasheet : 1pc La4631 Zip 13 Audio Channel Power Amplifier Ic Chip New Original Lazada Ph / La44401 sound ic for audio amplifier 20w."